Almost all electronic devices used in electronic circuits need a dc source of power to operate. The source of dc power is used to establish the dc operating point for the passive and active electronic devices in-corporate in the system.
This day almost all circuits 5V regulated power supply but an operational amplifier requires a dual power supply (positive and negative) for proper operation, while we are using the battery power supply for a circuit then it would be difficult to get a dual polarity power supply. In order to overcome this type of problem. Here, we have designed dual polarity 5V power supply from a 9V battery.
Circuit Description Dual Polarity 5v from 9v Battery
The circuit diagram of dual polarity 5V is built around a fixed voltage regulator IC 78L05 (IC1) and a voltage converter IC ICL7660 (IC2) IC 7660 is a CMOS switched-capacitor voltage converted which converts positive voltage to negative voltage.
9V battery is connected to the input pin (pin 3) of IC1 of IC1 which converted it to a regulated 5V supply. This output (+5V) is given to the Vcc pin (pin 8) of IC2. Capacitor C3 and C4 with the help of IC2 convert +5V to -5V dc. This output (-5V) is taken from pin 5 of IC2.
Construction and Testing of Dual Polarity 5v from 9v Battery
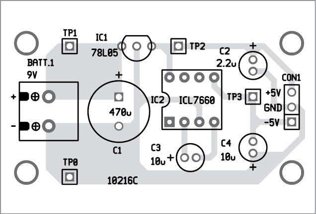
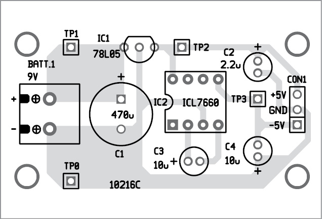
The PCB design (solder side and solder side) of dual polarity 5V power supply is shown in Figures 2 and 3 respectively.
Figure 2: Solder Side PCB Diagram of Dual Polarity 5V power Supply
Figure 3: Component Side PCB Diagram of Dual Polarity 5V power Supply
Click Here to Download PCB Diagram
The simulated circuit of the dual polarity 5V power supply circuit is shown in figure 4.
Check out various other power supply circuit posted on bestengineeringprojects.com
- 3.7V to 5V, 5.3V, and 6V Converter Circuit
- Adjustable Bipolar Voltage Regulator Circuit Using LM337
- Self Switching-off Power Supply
- Variable Switching Power Supply
- Universal Digital Power Supply Circuit
PARTS LIST OF DUAL POLARITY 5V FROM 9V BATTERY
| Capacitors |
| C1 = 470 µF/25V (Electrolytic Capacitor)
C2 = 2.2 µF/16V (Electrolytic Capacitor) C3, C4 = 10 µF/16V (Electrolytic Capacitor) |
| Semiconductors |
| IC1 = 78L05 (5V series voltage regulator)
IC2 = ICL7660 (Switching Voltage Regulators) |
| Miscellaneous |
| 9V battery
1 connector |



