Most general purpose timer circuit can operate either a monostable (one shot) or an astable (multivibrator) mode. Here, you can find various timer based project verified in BEP lab; general purpose timer circuit, precision timer circuit and programmable timer circuit.
Programmable timer circuit is operating in the astable mode, drives a digital counter. The frequency of the oscillator, actually a multivibrator is determined either by the R-C network or by an external modulation signal to which it is synchronized. Such external signals maybe a crystal-controlled clock.
Application of Timer:-
- General purpose timer circuit:
Accurate timing, sequential timing, time-delay generation, pulse generation, pole-width modulation, pole-position modulation, missing pole detection, and clock application of all types.
- Precision timing circuit:
High-precision timing, time delay generation, sequential timing, or any other timing applications require more precision then the general purpose model can provide.
Programmable timing in process, appliance, darkroom, and other timing controls, precisely determined time delay can be obtained by connecting various outputs together through combinational logic and returning the output of that logic to the trigger or reset terminals of the control flip-flop.
While appliance timers vary in their flexibility of application, a typical timer can be used with 50 or 60 Hz power lines and can operate either on a 12 or 24 hour basic. An external clock input is required if a 50Hz power line is used. External input controls set the minutes and hours and turn the timer on or off. In addition, there is a “reset” control which will set the back to the original time, the “repeat” control which permits the timer to repeat the operation as often as this control is activated, and the “cancel” control which cancels the alarm. The control output has separate “on” and “off” lines that can go either directly to the appliance or to a relay to control the AC power to the appliance. Display information is multiplexed by segment and digit in the conventional
Electronics Projects based on timer IC or Timer based projects posted on www.bestengineeringprojects.com
Time Control Circuit |
Circuit Sample |
| 1. Programmable Timer | ![]() |
| 2. Programmable Digital Timer | ![]() |
| 3. Sequential Timer Circuit Using NE555 | ![]() |
| 4. 24-Hour Digital Clock and Timer Circuit | ![]() |
| 5. Countdown Timer Using Arduino | ![]() |
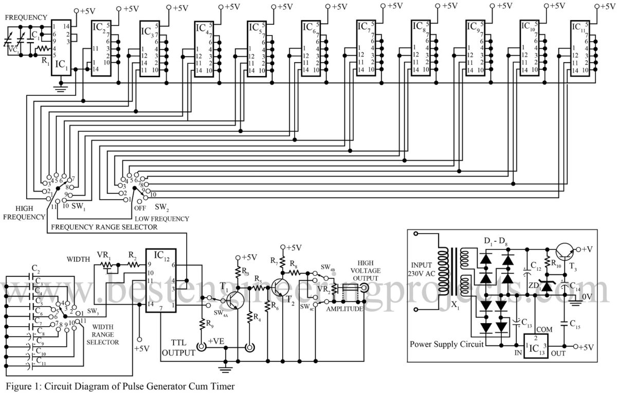
| 6. Pulse Generator Cum Timer Circuit | ![]() |
| 7. Industrial Timer Circuit | ![]() |
| 8. Sound Activated 0-30 Minutes Timer Circuit | ![]() |







